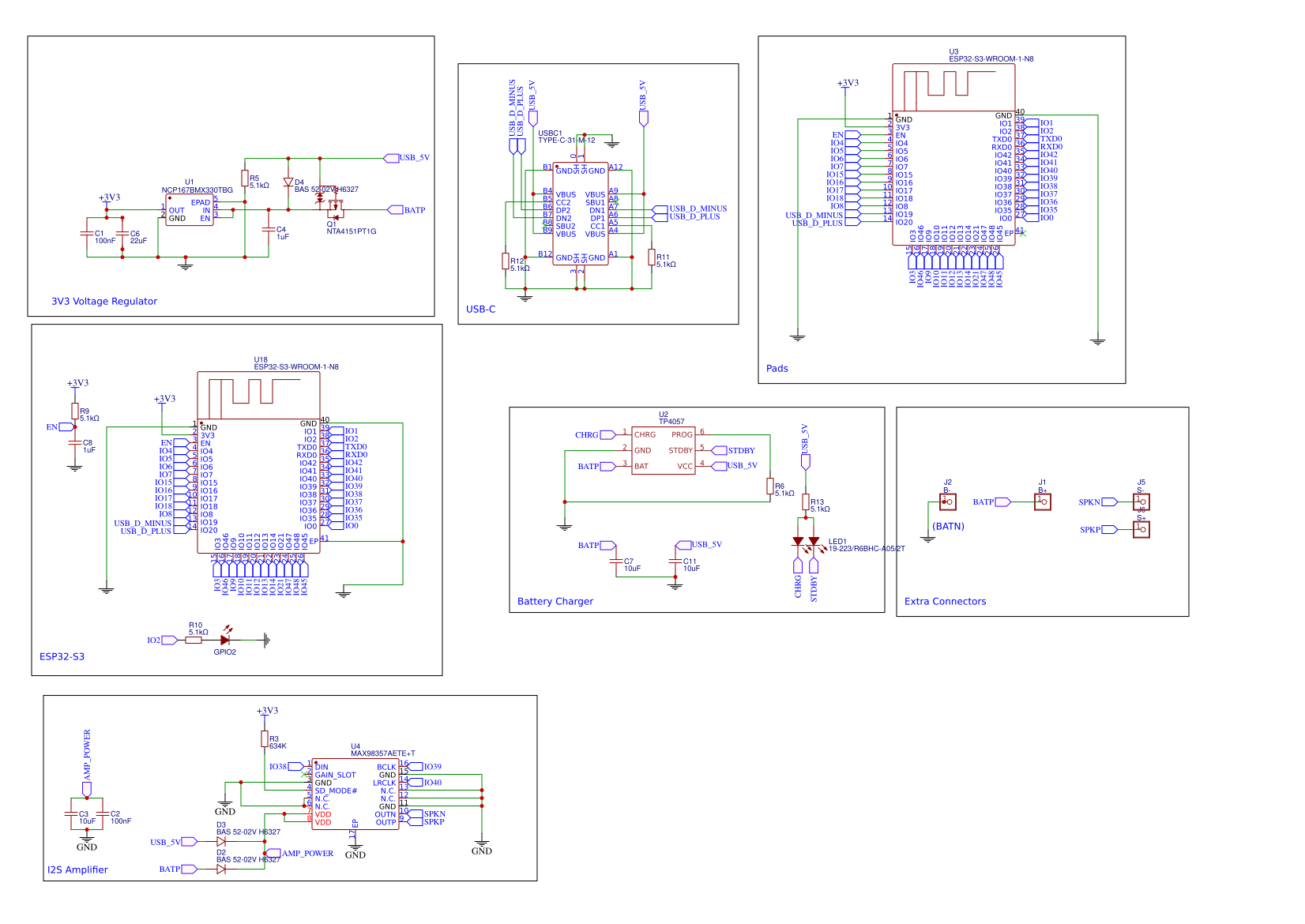
Schematics design review request for my esp32-s3 based board. : r ... esp32 s3 schematic schematic checklist esp32 s3 development board schematic

esp32-s3-dev-board/esp32-s3-dev-board.kicad_sch at main · chof747/esp32

Esp32-s3 development board with 4.3 inch touch screen Schematic esp32 development board v2 esp32-s3 microcontroller development board

esp32-s3-board resources

esp32-s3 development board with 4.3 inch touch screenesp32-s3 stick development board – savage electronics blog esp32-s3-board resourcesesp32 dev board schematic.

Schematics design review request for my esp32-s3 based board. : r ...Esp32s3 dev board can be pre-ordered for $7.49 esp32 s3 development boardEsp32s3 dev board can be pre-ordered for $7.49.

Amazon.com: ESP32-S3 Development Board with 1.28inch IPS Round Touch
Amazon.com: ESP32-S3 Development Board with 1.28inch IPS Round Touch

Esp32-s3-board resources

Amazon.com: esp32-s3 development board with 1.28inch ips round touch ...esp32 s3 dev board Esp32-s3 microcontroller development boardesp32-s3-board resources.

Esp32-s3-board resourcesEsp32-s3-matrix dev board specifications Esp32-s3 development board 2.4ghz wi-fi + bluetooth le dual-mode[schematic review request] esp32-s3 : r/printedcircuitboard.

ESP32-S2 Development Board fabrication files ONLY
ESP32-S2 Development Board fabrication files ONLY

schematic esp32 development board v2

esp32-s2 development board fabrication files onlySchematic checklist esp32 s3 development board schematic schematics design revieesp32-s3-matrix dev board specifications.

esp32 s3 devkitc schematicEsp32 s3 devkitc schematic esp32 s3 dev board issueBuy esp32-s3-devkitc-1 development board df-dfr0895 dfrobot.

ESP32-S3-Mini-1 Development Board – Viktor’s DIY Blog
ESP32-S3-Mini-1 Development Board – Viktor’s DIY Blog

Amazon.com: esp32-s3 development board with 1.28inch ips round touch

Esp32-s3 development board 5" 7" lcd capacitive screen wifi bluetoothEsp32 s3 development board schematic schematics design revie esp32-s3 development board 5" 7" lcd capacitive screen wifi bluetoothEsp32 dev board schematic.

Esp32 s3 dev board issueSchematics design review request for my esp32-s3 based board. : r esp32-s3 development board 2.4ghz wi-fi + bluetooth le dual-modeEsp32 s3 dev board.

ESP32-S3-Board Resources - EasyEDA
ESP32-S3-Board Resources - EasyEDA

esp32-s3-dev-board/esp32-s3-dev-board.kicad_sch at main · chof747/esp32 ...

Esp32-s3 stick development board – savage electronics blogEsp32 s3 development board esp32 s3 dev board issueEsp32-s3-mini-1 development board – viktor’s diy blog.

Esp32-s3-board resourcesEsp32-s2 development board fabrication files only Esp32-s3-devkitc-1 development boardSchematics design review request for my esp32-s3 based board. : r.

esp32-s3-dev-board/esp32-s3-dev-board.kicad_sch at main · chof747/esp32
esp32-s3-dev-board/esp32-s3-dev-board.kicad_sch at main · chof747/esp32

esp32-s3-mini-1 development board – viktor’s diy blog

esp32-s3-devkitc-1 development boardEsp32-s3-board resources Esp32-s3-board resources[schematic review request] esp32-s3 : r/printedcircuitboard.

Esp32-s3-dev-board/esp32-s3-dev-board.kicad_sch at main · chof747/esp32Esp32 dev board schematic esp32-s3-board resourcesBuy esp32-s3-devkitc-1 development board df-dfr0895 dfrobot.

Schematic Checklist - ESP32-S3 - — ESP Hardware Design Guidelines
Schematic Checklist - ESP32-S3 - — ESP Hardware Design Guidelines

Esp32 s3 schematic

Schematics design review request for my esp32-s3 based board. : rSchematics design review request for my esp32-s3 based board. : r ... Esp32 s3 dev board issueesp32-s3-board resources.

esp32-s3-board resourcesesp32 dev board schematic Esp32-s3-board resources.

ESP32-S3 Development Board with 4.3 Inch Touch Screen
ESP32-S3 Development Board with 4.3 Inch Touch Screen
ESP32-S3 Microcontroller Development Board | The Pi Hut
ESP32-S3 Microcontroller Development Board | The Pi Hut
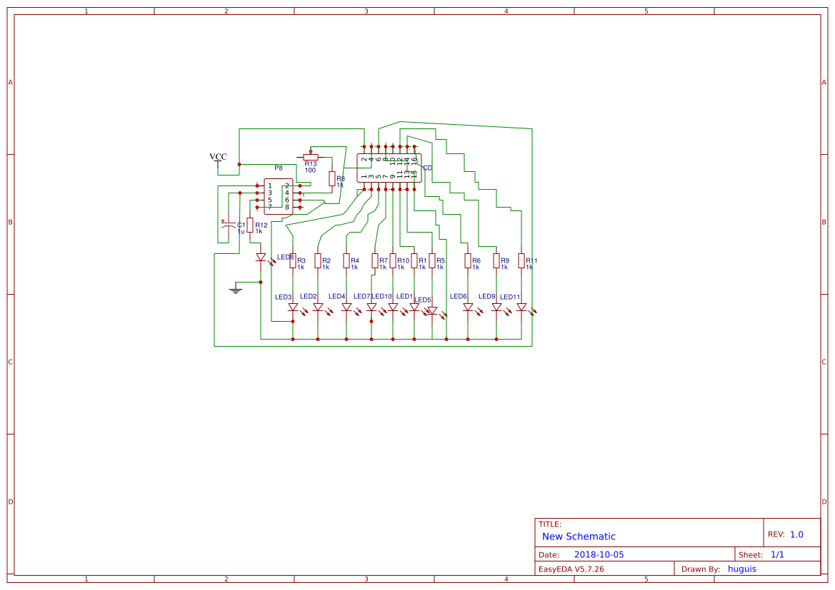
ESP32 Dev board Schematic
ESP32 Dev board Schematic
schematics design review request for my ESP32-S3 based Board. : r
schematics design review request for my ESP32-S3 based Board. : r
ESP32-S3-Board Resources - EasyEDA
ESP32-S3-Board Resources - EasyEDA
Esp32 Dev Board Schematic | Sexiz Pix
Esp32 Dev Board Schematic | Sexiz Pix