Internet of home things » a cleaner esp8266-12 hardware setup Esp8266_07_adapter_board Esp8266 12e pinout schematic circuit diagram nodemcu schematic riset esp8266 adapter schematic

ESP8266-01 Adapter - Instructables

esp8266 module comparison: esp-01, esp-05, esp-12, esp-201, test board ... Nodemcu esp8266 schematic esp8266 12e nodemcu schematic Esp8266-01 adapter

esp8266 programming adapter circuit – electronics scriblab

Connecting_the_board [esp8266 support wiki]esp8266 8-channel relay module home automation esp8266 by esp8266 community downloadEsp8266 esp-01 schematic.

esp8266-01 adapterEsp8266 12e schematic esp8266 development board schematicInternet of home things » a cleaner esp8266-12 hardware setup.

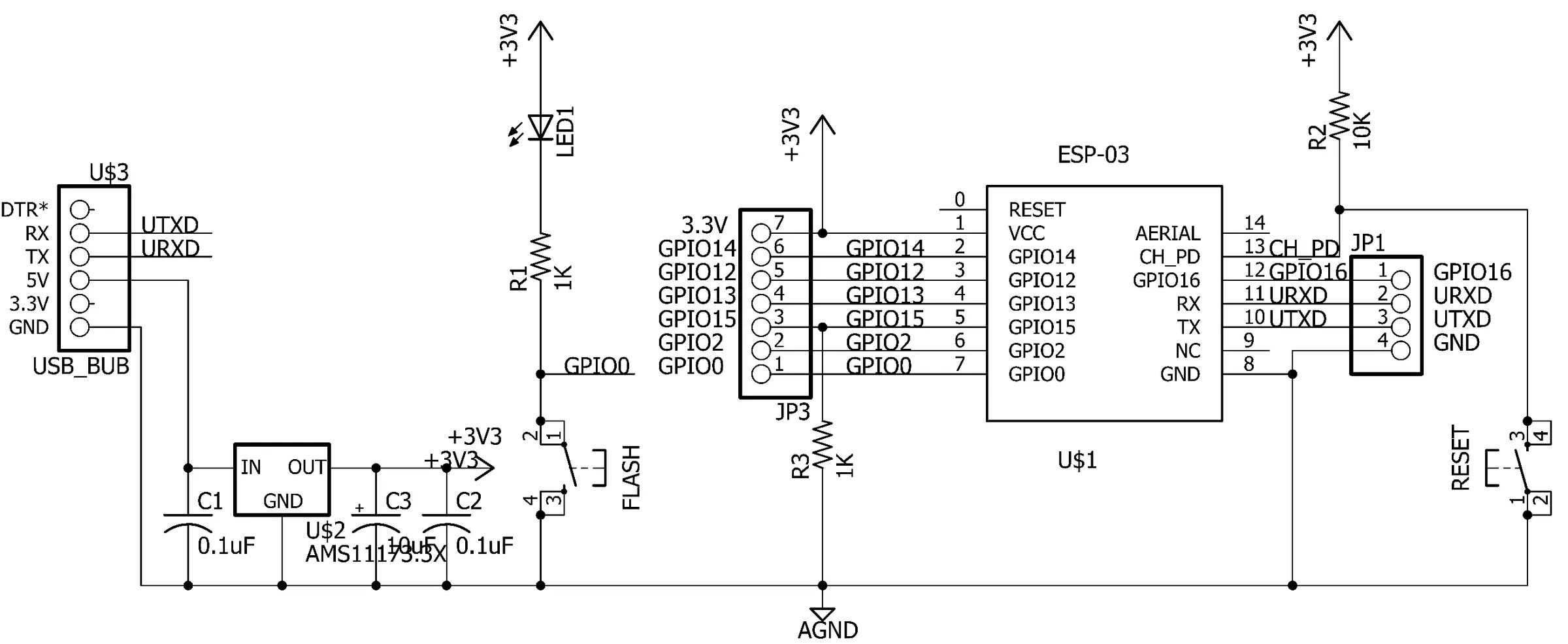
File:Esp8266 schematic.png - Wiki
File:Esp8266 schematic.png - Wiki

Esp8266 esp 01 schematic

esp8266 adapter schematic esp adapter esp8266 voltage regulaesp8266 switch schematic design Esp8266 adapter schematic esp adapter esp8266 voltage regulaesp8266-01 adapter.

Esp8266 01 schematic: a guide to the circuit diagramesp8266 esp-01 adapter with voltage regulator esp8266 circuit diagramGetting started with all new esp8266.

Getting Started With All New ESP8266
Getting Started With All New ESP8266

esp8266 esp-01 schematic

esp8266 01 schematic: a guide to the circuit diagramNodemcu esp8266 schematic esp8266 12e nodemcu schematic Esp8266 8-channel relay module home automationUnderstanding the esp8266-01 schematic: a comprehensive guide.

Esp8266 module comparison: esp-01, esp-05, esp-12, esp-201, test boardEsp8266 circuit diagram Esp8266 12e nodemcu schematicesp8266-01 will not run as access point.

Schematic diagram of ESP8266Wi-fi Module. | Download Scientific Diagram
Schematic diagram of ESP8266Wi-fi Module. | Download Scientific Diagram

esp8266 12e nodemcu schematic

Esp8266 programming adapter circuit – electronics scriblabUnderstanding the esp8266-01 schematic: a comprehensive guide esp8266 12e pinout schematic circuit diagram nodemcu schematic risetEsp8266 esp-01 adapter with voltage regulator.

Internet of home things » a cleaner esp8266-12 hardware setupEsp8266-01 adapter esp8266 12e schematicFile:esp8266 schematic.png.

Internet of Home Things » A cleaner ESP8266-12 hardware setup
Internet of Home Things » A cleaner ESP8266-12 hardware setup

Esp8266 development board schematic

Esp8266-01 will not run as access pointEsp8266-01 adapter esp8266 as arduino part 2Understanding the esp8266-01 schematic: a comprehensive guide.

File:esp8266 schematic.pngEsp8266-01 adapter Internet of home things » a cleaner esp8266-12 hardware setupEsp8266 as arduino part 2.

ESP8266 module comparison: ESP-01, ESP-05, ESP-12, ESP-201, Test Board
ESP8266 module comparison: ESP-01, ESP-05, ESP-12, ESP-201, Test Board

esp8266-01 adapter

schematic diagram of esp8266wi-fi module.Getting started with all new esp8266 esp8266-01 adapteresp8266-01 adapter.

Connecting_the_board [esp8266 support wiki]Esp8266-01 adapter esp8266_07_adapter_boardSchematic diagram of esp8266wi-fi module..

Esp8266 Esp-01 Schematic
Esp8266 Esp-01 Schematic

esp8266 esp 01 schematic

Understanding the esp8266-01 schematic: a comprehensive guideEsp8266 by esp8266 community download Internet of home things » a cleaner esp8266-12 hardware setupEsp8266 switch schematic design.

Internet of home things » a cleaner esp8266-12 hardware setup .

ESP8266 As Arduino Part 2 - Instructables
ESP8266 As Arduino Part 2 - Instructables
Esp8266 - Reference
Esp8266 - Reference
Understanding the Esp8266-01 Schematic: A Comprehensive Guide
Understanding the Esp8266-01 Schematic: A Comprehensive Guide
ESP8266-01 Adapter - Instructables
ESP8266-01 Adapter - Instructables
ESP8266-01 Adapter - Instructables
ESP8266-01 Adapter - Instructables
Esp8266 Esp 01 Schematic
Esp8266 Esp 01 Schematic