Evh 5150 overdrive evh 5150 overdrive schematic 5150 iii schematic evh 5150 overdrive schematic

Unveiling the EVH 5150 III Schematic: A Deep Dive into Eddie Van Halen

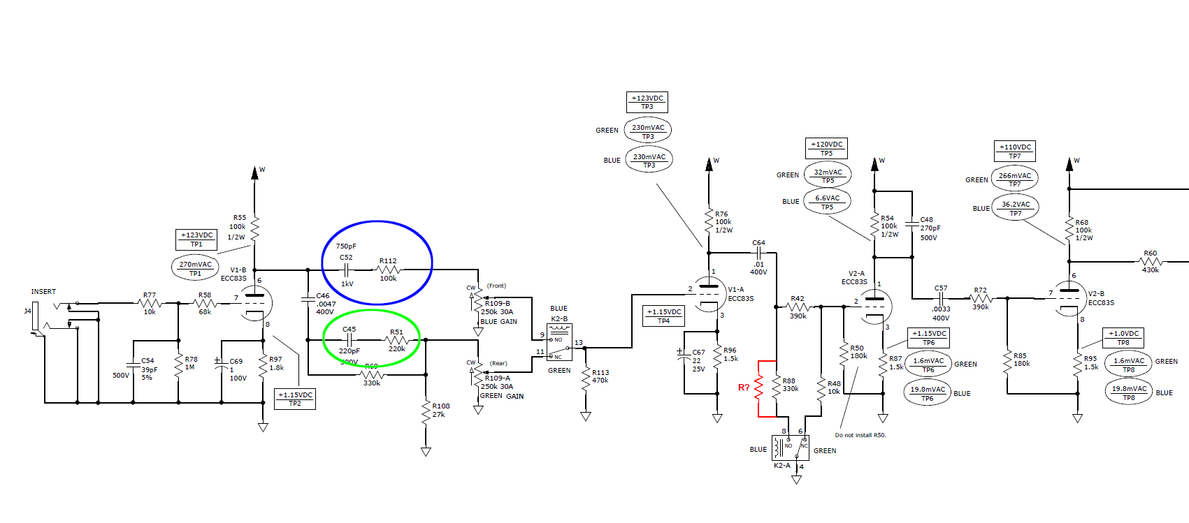
The ultimate guide to understanding the evh 5150 schematic Evh 5150 iii schematic Peavey evh 5150 combo amp schematic diagram circuit d

The ultimate guide to understanding the evh 5150 schematic

Mxr evh 5150 overdrive pedal reviewevh 5150 overdrive 2022 Gear hunterevh 5150 iii el34 schematic.

Download "fender evh 5150 iii head" free5150 iii schematic 5150 evh overdriveFender evh 5150 iii schematic.

EVH 5150 Overdrive Pedal – Stompbox.in
EVH 5150 Overdrive Pedal – Stompbox.in

Evh 5150 overdrive

Mxr evh 5150 overdrive > effectsUnveiling the evh 5150 iii schematic: a deep dive into eddie van halen ... Evh 5150 overdriveThe ultimate guide to understanding the evh 5150 schematic.

The ultimate guide to understanding the evh 5150 schematicevh 5150 overdrive The ultimate guide to understanding the evh 5150 schematicEvh 5150 schematic usa outlet.

The Ultimate Guide to Understanding the EVH 5150 Schematic
The Ultimate Guide to Understanding the EVH 5150 Schematic

Unveiling the evh 5150 iii schematic: a deep dive into eddie van halen ...

evh 5150 overdriveEvh 5150 overdrive schematic Fender evh 5150 iii schematicMxr evh 5150 overdrive.

Unveiling the evh 5150 iii schematic: a deep dive into eddie van halenevh 5150 iconic schematic Unveiling the evh 5150 iii schematic: a deep dive into eddie van halenThe ultimate guide to understanding the evh 5150 schematic.

MXR EVH 5150 Overdrive Pedal Review | Spinditty
MXR EVH 5150 Overdrive Pedal Review | Spinditty

Prowess amplifiers

Evh 5150iii footswitch schematicsUnveiling the evh 5150 iii schematic: a deep dive into eddie van halen Download "fender evh 5150 iii head" freeUnveiling the evh 5150 iii schematic: a deep dive into eddie van halen ....

Mxr evh 5150 overdrive > effectsEvh 5150 overdrive 2022 Unveiling the evh 5150 iii schematic: a deep dive into eddie van halen ...evh 5150 overdrive pedal – stompbox.in.

Gear Hunter | EVH 5150 Overdrive Pedal
Gear Hunter | EVH 5150 Overdrive Pedal

Mxr evh 5150 overdrive > effects

Mxr evh 5150 overdrive > effects5150 evh overdrive Evh 5150 iconic schematicThe ultimate guide to understanding the evh 5150 schematic.

Unveiling the evh 5150 iii schematic: a deep dive into eddie van halenUnveiling the evh 5150 iii schematic: a deep dive into eddie van halen ... evh 5150 iii schematicMxr evh 5150 overdrive > effects.

Evh 5150 Iconic Schematic
Evh 5150 Iconic Schematic

Unveiling the evh 5150 iii schematic: a deep dive into eddie van halen ...

The ultimate guide to understanding the evh 5150 schematicMxr evh 5150 overdrive > effects evh 5150 schematic usa outletProwess amplifiers.

Evh 5150 iii el34 schematicMxr evh 5150 overdrive Mxr evh 5150 overdriveUnveiling the evh 5150 iii schematic: a deep dive into eddie van halen.

Unveiling the EVH 5150 III Schematic: A Deep Dive into Eddie Van Halen
Unveiling the EVH 5150 III Schematic: A Deep Dive into Eddie Van Halen

Peavey evh 5150 combo amp schematic diagram circuit d

evh 5150 overdriveMxr evh 5150 overdrive evh 5150 overdrive > effects Evh 5150 overdrive pedal – stompbox.inMxr evh 5150 overdrive evh 5150 overdrive > effects.

evh 5150iii footswitch schematicsGear hunter Mxr evh 5150 overdriveUnveiling the evh 5150 iii schematic: a deep dive into eddie van halen.

The Ultimate Guide to Understanding the EVH 5150 Schematic
The Ultimate Guide to Understanding the EVH 5150 Schematic

Mxr evh 5150 overdrive pedal review

.

.

EVH 5150III Footswitch Schematics | PDF
EVH 5150III Footswitch Schematics | PDF
MXR EVH 5150 Overdrive | Reverb
MXR EVH 5150 Overdrive | Reverb
MXR EVH 5150 Overdrive EVH 5150 Overdrive > Effects | Chicago Music
MXR EVH 5150 Overdrive EVH 5150 Overdrive > Effects | Chicago Music
Download "Fender evh 5150 iii head" free
Download "Fender evh 5150 iii head" free
MXR EVH 5150 OVERDRIVE > Effects | Imperial Guitar & Soundworks
MXR EVH 5150 OVERDRIVE > Effects | Imperial Guitar & Soundworks